TM 9-2330-211-14&P
4-28.
AIR LINES AND FITTINGS (Con't)
ACTION
LOCATION
ITEM
REMARKS
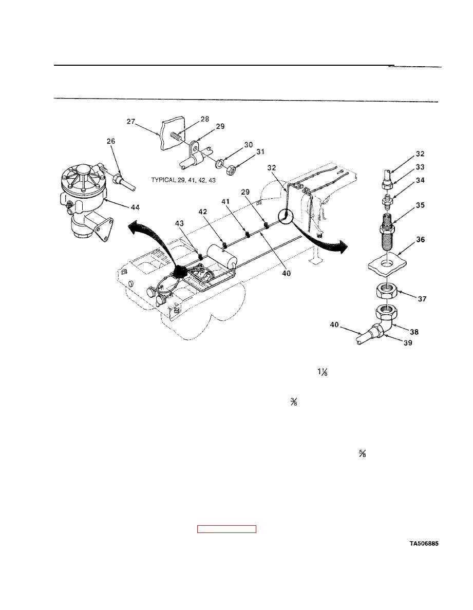
21.
Bulkhead (36)
Bulkhead fitting
a. Using two
in. wrenches, unscrew and
(35) and nut (37)
take off.
b. Take bulkhead fitting (35) out of bulkhead (36).
N u t (31) and
22.
Left main frame
in. socket and handle, unscrew and
Using
lockwasher (30)
(27) and stud (28)
take off.
Clamp (29)
23.
Air line (40)
Spread and take off.
Repeat steps 22 and 23 for clamps
(41, 42, and 43).
Nut (26)
24.
in. wrench.
Unscrew and take off using
valve (44)
25.
Left main
Air line (40)
Pull out.
frame (27)
REPAIR
NOTE
For information on procedures for splicing air lines, refer to
4-75