Home
Download PDF
Order CD-ROM
Order in Print
GROUP 16 SPRINGS AND SHOCK ABSORBERS - TM-9-2330-227-14-P0467
GROUP 1605 TORQUE, RADIUS, AND STABILIZER RODS - TM-9-2330-227-14-P0469
TM-9-2330-227-14-P Semitrailer Van: Shop 6-Ton Single Axle M146 (NSN 2330-00-569-9372) Manual
Page Navigation
440
441
442
443
444
445
446
447
448
449
450
SECTION
II
TM9-2330-227-14&P,
C01
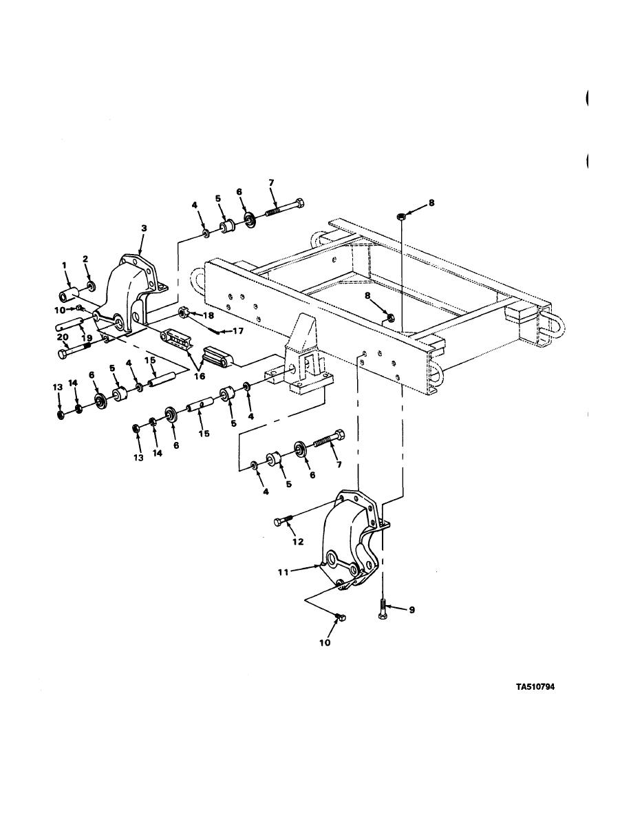
FIGURE
34.
SUSPENSION
SPRING
MOUNTING
BRACKETS.