Share on Google+Share on FacebookShare on LinkedInShare on TwitterShare on DiggShare on Stumble Upon
Custom Search
 
  
 
TM 9-2330-394-13&P
ELECTRICAL CABLE ASSEMBLY REPLACEMENT - Continued
0051 00
INSTALLATION - Continued
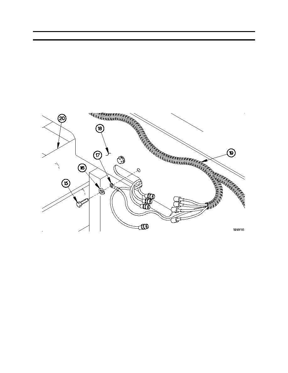
35. Pull electrical cable assembly (19) through left frame rail (18).
36. Install terminal lug TL270 (17) on left side of taillight crossmember (18) with lockwasher (16) and
screw (15).
37. Tighten screw (15) to 19-23 lb-ft (26-32 Nm).
0051 00-29


 


Privacy Statement - Copyright Information. - Contact Us

Integrated Publishing, Inc. - A (SDVOSB) Service Disabled Veteran Owned Small Business