Share on Google+Share on FacebookShare on LinkedInShare on TwitterShare on DiggShare on Stumble Upon
Custom Search
 
  
 
TM 9-2330-394-13&P
AXLE ASSEMBLY (LMTVT) REPLACEMENT - Continued
0102 00
REMOVAL - Continued
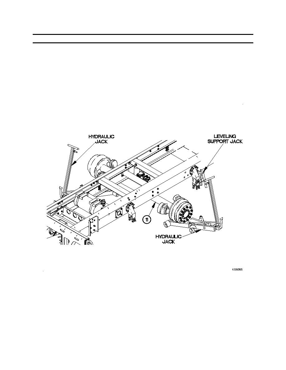
NOTE
Step (12) requires the aid of two assistants.
12. Remove axle assembly (11) from trailer.
0102 00-8


 


Privacy Statement - Copyright Information. - Contact Us

Integrated Publishing, Inc. - A (SDVOSB) Service Disabled Veteran Owned Small Business