Home
Download PDF
Order CD-ROM
Order in Print
DESCRIPTION - TM-9-3405-210-14-P0078
DESCRIPTION - TM-9-3405-210-14-P0080
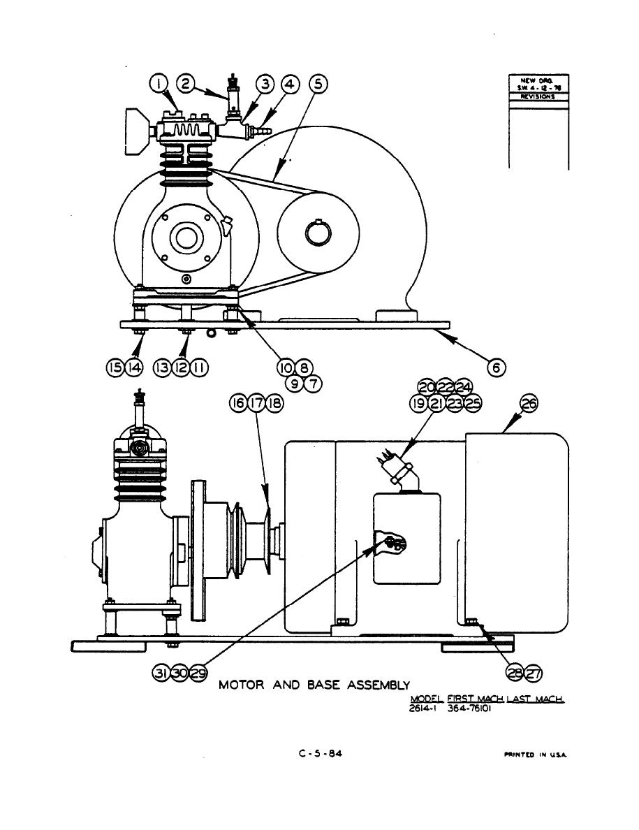
TM-9-3405-210-14-P Saw Band Metal Cutting Model 2614-1 (Do All Company) (NSN 3405-00-542-1328) Manual
Page Navigation
69
70
71
72
73
74
75
76
77
78
79
C-13