ENGINEERING ADJUSTMENT SUMMARY
NUMBER
120789-2
MODEL D B W - 1 5
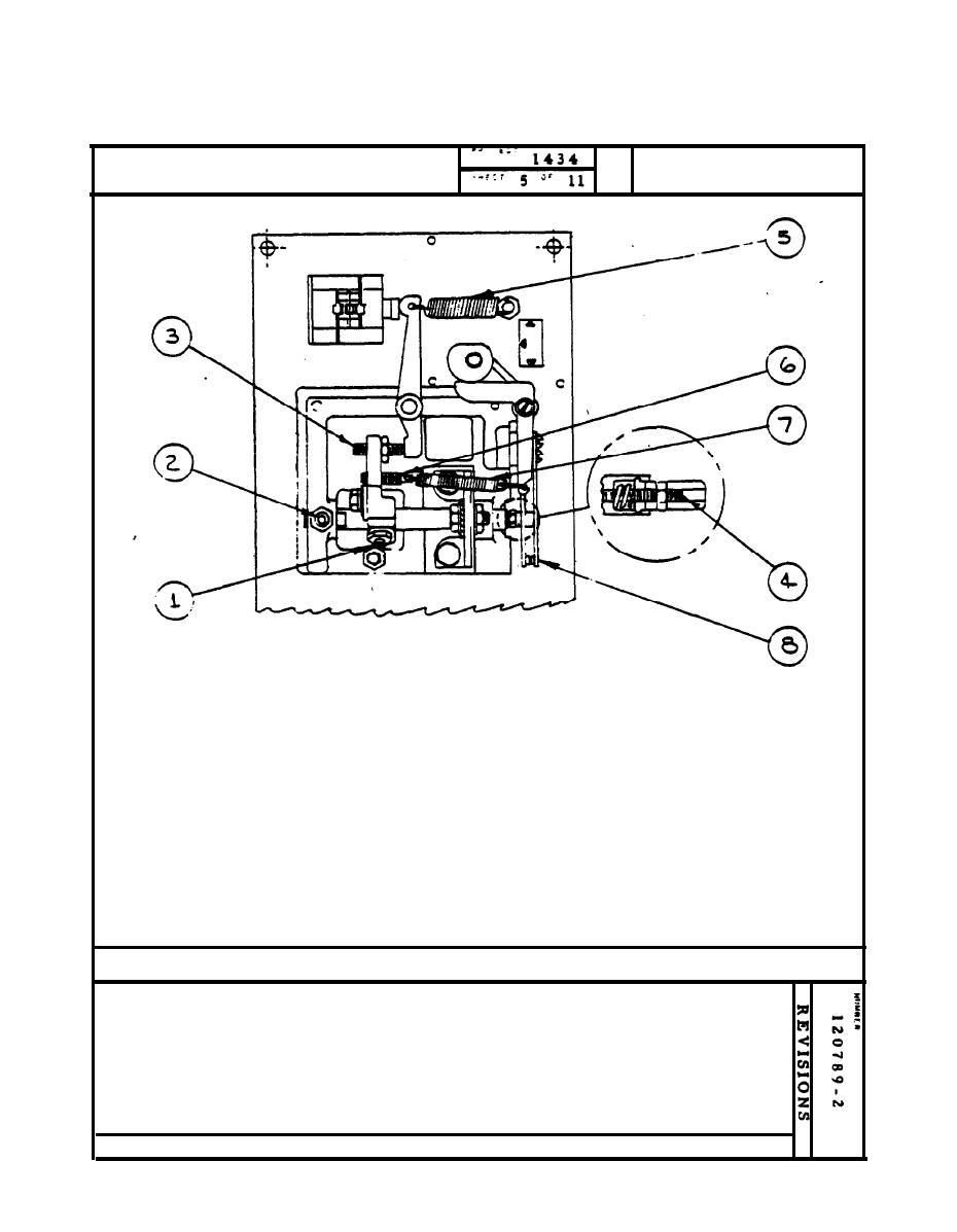
FIG. 4
Movable jaw lock screw
1.
Slide rod stop screw
2.
Jaw gap adjustment screw
3.
Cut-off adjustment screw
4.
Weld lever return spring
5.
Upset force adjustment screw
6.
Jaw upset spring
7.
Cut-off switch
8.
Date: 7-31-69
Approved:
Prepared by: Roger Harris
H-38