Home
Download PDF
Order CD-ROM
Order in Print
GROUP OS HEATER ELEMENTS
GROUP 10 CONDENSER
TM-9-4120-422-14-P Air Conditioner Horizontal Compact 9 000 BTU/HR 115 VOLT Single Phase 50/60 Hertz Part No. S8450-9KC-1H (NSN 4120-01-456-6954) Manual
Page Navigation
281
282
283
284
285
286
287
288
289
290
291
TM
9-4120-422-14&P
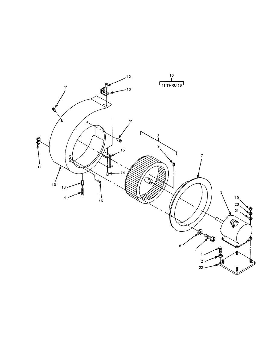
Figure
2 1.
Fan
and
Housing