Home
Download PDF
Order CD-ROM
Order in Print
Figure 4-47. DMS-D card A8 - schematic diagram (sheet 1 of 4)
Figure 4-47. DMS-D card A8 - schematic diagram (sheet 3 of 4)
TM-9-4935-481-14-2 Dragon Maintenance Set Manual
Page Navigation
78
79
80
81
82
83
84
85
86
87
88
TM
9-4935-481-14-2
C1
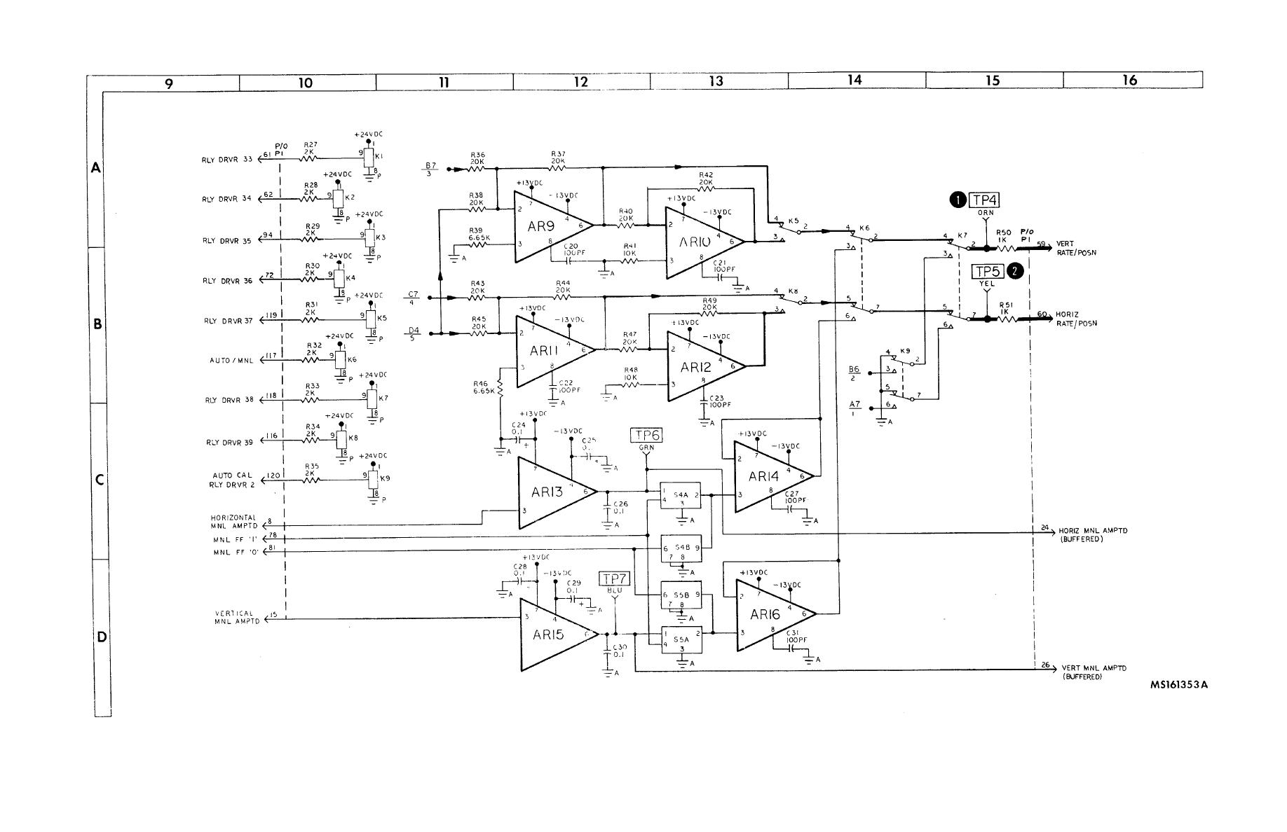
Figure
4-47.
DMS-D
card
A8 -
schematic
diagram
(sheet
2 of 4)
4-157/(4-158
Blank)