TM 9-2330-297-14&P
PREPARATION FOR USE - CONTINUED
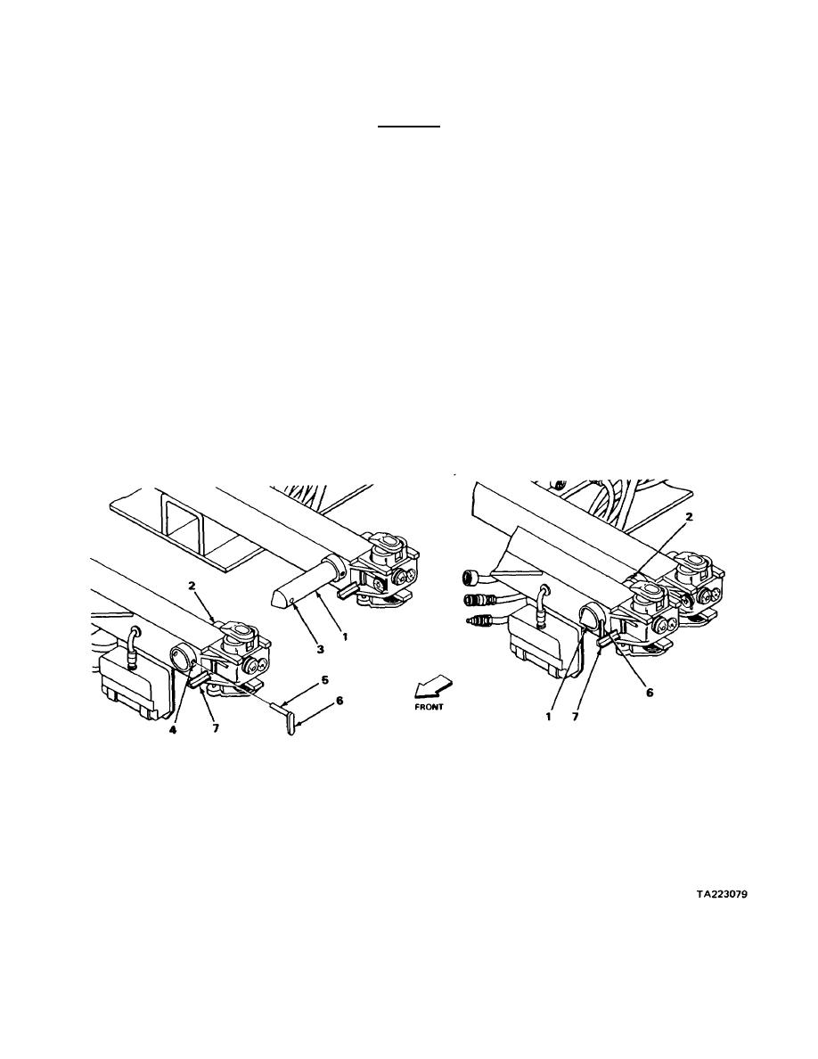
CAUTION
Make sure that sleeves on front semitrailer chassis and coupling rods on rear semitrailer chassis
are in alinement.
Use landing gear crank in low speed only when raising or lowering semitrailer with loaded
container.
Make sure gear is fully engaged before cranking.
14. Aline the coupling rods (1) to sleeves (2) by raising or lowering landing gear legs on rear semitrailer chassis. See
page 2-16.
NOTE
Use an assistant as a guide to aline coupling rods to sleeves.
15. Slowly back the front semitrailer chassis so coupling rods (1) slide into sleeves (2). Correct vertical misalinement
by raising or lowering landing gear legs on rear semitrailer.
16. Back the front semitrailer until hole (3) in coupling rods (1) is alined with hole (4) in sleeves.
17. Insert lockpins (5) through holes (4) and (3).
18. Rotate handles (6) down between sleeve (2) and retaining angle (7)
2-21