Home
Download PDF
Order CD-ROM
Order in Print
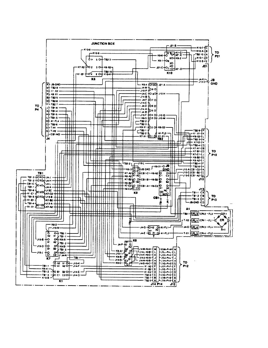
Figure 4-20. Wiring Diagram (Sheet 3 of 4) For F36T4-2SA, F36T4-2SB, F36T-2S, and F36T-2SA only. See Sheet 1 and 2 for F36T4-2S
Figure 4-21. Electrical Schematic (Sheet 1 of 2) for F36T4-2S only. See Sheet 2 for F36T4-2SA, F36T4-2SB, F36T-2S, and F36T2SA.
TM-9-4120-370-14 Air Conditioner Vertical Compact 36 000 BTU Cooling 28 600 BTU/HR Heating 208 Volt Phase 400 Hertz Manual
Page Navigation
63
64
65
66
67
68
69
70
71
72
73
TM
9-4120-370-14
TO
35E9-229-1
Figure
4-20.
Wiring
Diagram
(Sheet
4 of 4)
For
F36T4-2SA,
F36T4-2SB,
F36T-2S,
and
F36T-2SA
only.
See
Sheet
1
and
2
for
F36T4-2S
4-22