Home
Download PDF
Order CD-ROM
Order in Print
Figure F-42. Rubber, Cellular, Part Number 13229E4201/46
Figure F-46. Remote Control Cable Diagram
TM-9-4120-401-14 Air Conditioner Horizontal Compact 18 000 BTU/HR Model F18H-MPI 208 Volt 3 Phase 50/60/400 Hz 230 Volt Single-Phase 50/60 Hertz Manual
Page Navigation
271
272
273
274
275
276
277
278
279
280
281
TM 9-4120-401-14
NOTE
1.
FABRICATE
FROM
EMI
COMPOSITE
GASKET
PART
NO.
(97403)
13227E6913-29
Figure
F-44.
Gasket,
EMI,
Part
Number
13227E6911/2
NOTE
1.
FABRICATE
FROM
EMI
COMPOSITE
GASKET
PART
NO.
(97403)
13227E6913-28
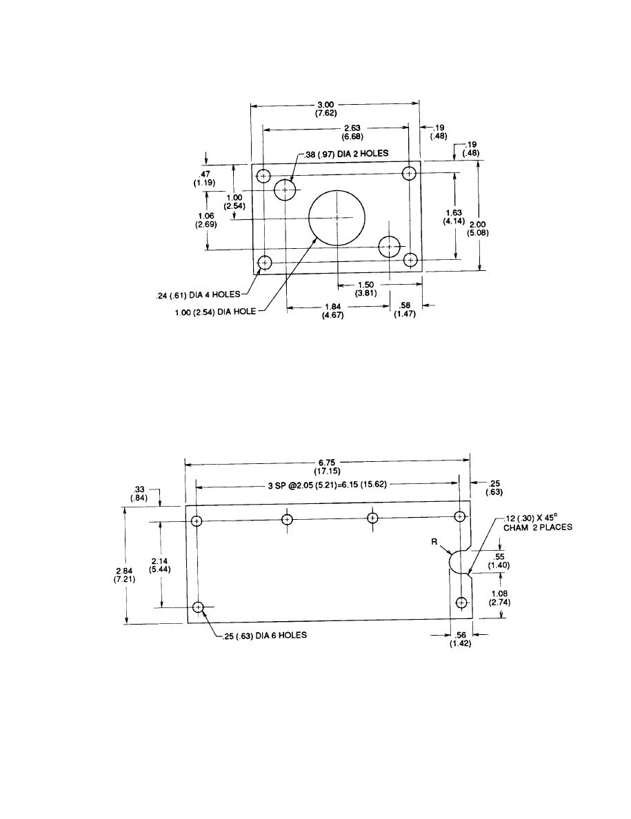
Figure
F-45.
Gasket,
EMI,
Part
Number
13227E9208/1
F-19