Home
Download PDF
Order CD-ROM
Order in Print
EQUIPMENT NOTES - TM-9-4935-481-14-10449
Figure 3-39. Duty cycle conversion chart
TM-9-4935-481-14-1 Dragon Maintenance Set Manual
Page Navigation
439
440
441
442
443
444
445
446
447
448
449
TM
9-4935-481-14-1
Figure
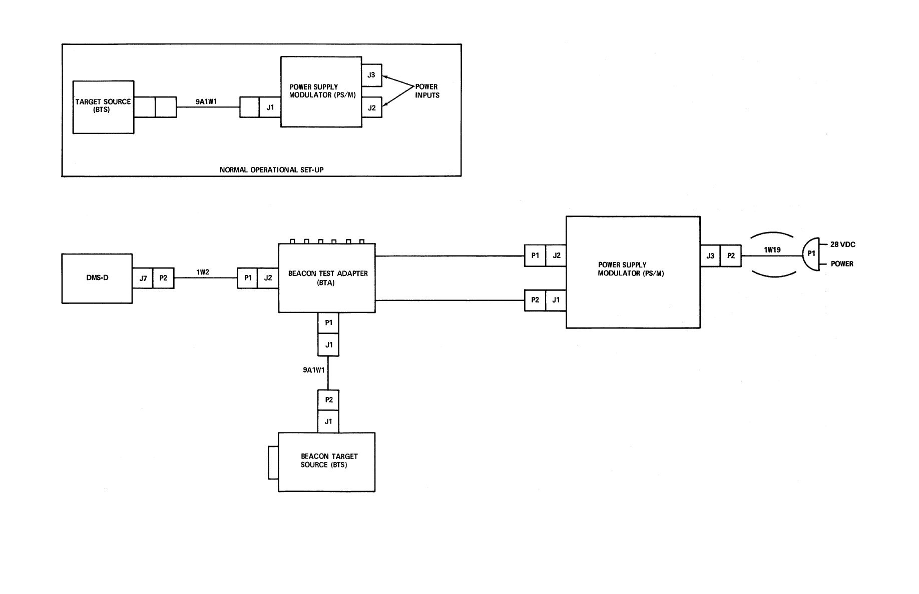
3-38.
IR
Transmitter
test-up
3-330