Home
Download PDF
Order CD-ROM
Order in Print
SERVICE LIGHTS AND ELECTRICAL WIRING (M127 AND M127A1)
SERVICE LIGHTS AND CHASSIS ELECTRICAL WIRING (MODELS M127A1C, M128A1, M128A1C, M129A1, M129A1C) -CONT.
TM-9-2330-207-14 Semitrailer Stake: 12-Ton 4-Wheel Van: Cargo 12-Ton 4-Wheel Van: Supply 12-Ton 4-Wheel Manual
Page Navigation
23
24
25
26
27
28
29
30
31
32
33
TM9-2330-207-14
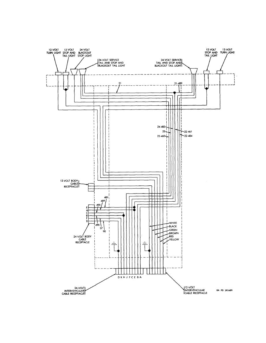
2-22.
SERVICE LIGHTS AND CHASSIS ELECTRICAL
WIRING
(MODELS M127A1C, M128A1, M128A1C, M129A1, M129A1C)
Figure
2-25.
Chassis
wiring
diagram
(used
on
Models
M127A1C,
M128A1,
M128A1C,
M129A1,
M129A1C)
2-13