Home
Download PDF
Order CD-ROM
Order in Print
MAINTAIN BATTERIES (CLEAN BATTERY TERMINALS) - Continued
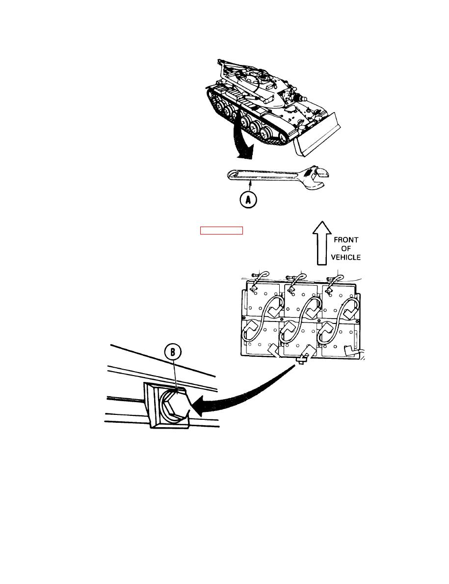
MAINTAIN BATTERIES (DRAIN BATTERY BOX IF S0 EQUIPPED) -CONT.
TM-9-2350-222-10-3 Vehicle Combat Engineer Full Tracked: M728 (2350-00-795-1797) Manual
Page Navigation
120
121
122
123
124
125
126
127
128
129
130
TM
9-2350-222-10-3
MAINTAIN
BATTERIES
(DRAIN
BATTERY
BOX
IF S0
EQUIPPED)
Tools:
q
Get
12
inch
adjustable
wrench
(A)
from right
front
fender
box.
Make
Sure:
q
Battery
access
door
is
open
(page
3-107).
1.
Locate
battery
box
drain
plug
(B).
TA132943
3-113