Home
Download PDF
Order CD-ROM
Order in Print
Table 3-19. LET Performance Test-Continued - TM-9-4935-481-14-10443
Table 3-20. IR Transmitter Performance Test
TM-9-4935-481-14-1 Dragon Maintenance Set Manual
Page Navigation
433
434
435
436
437
438
439
440
441
442
443
C4
TM
9-4935-481-14-1
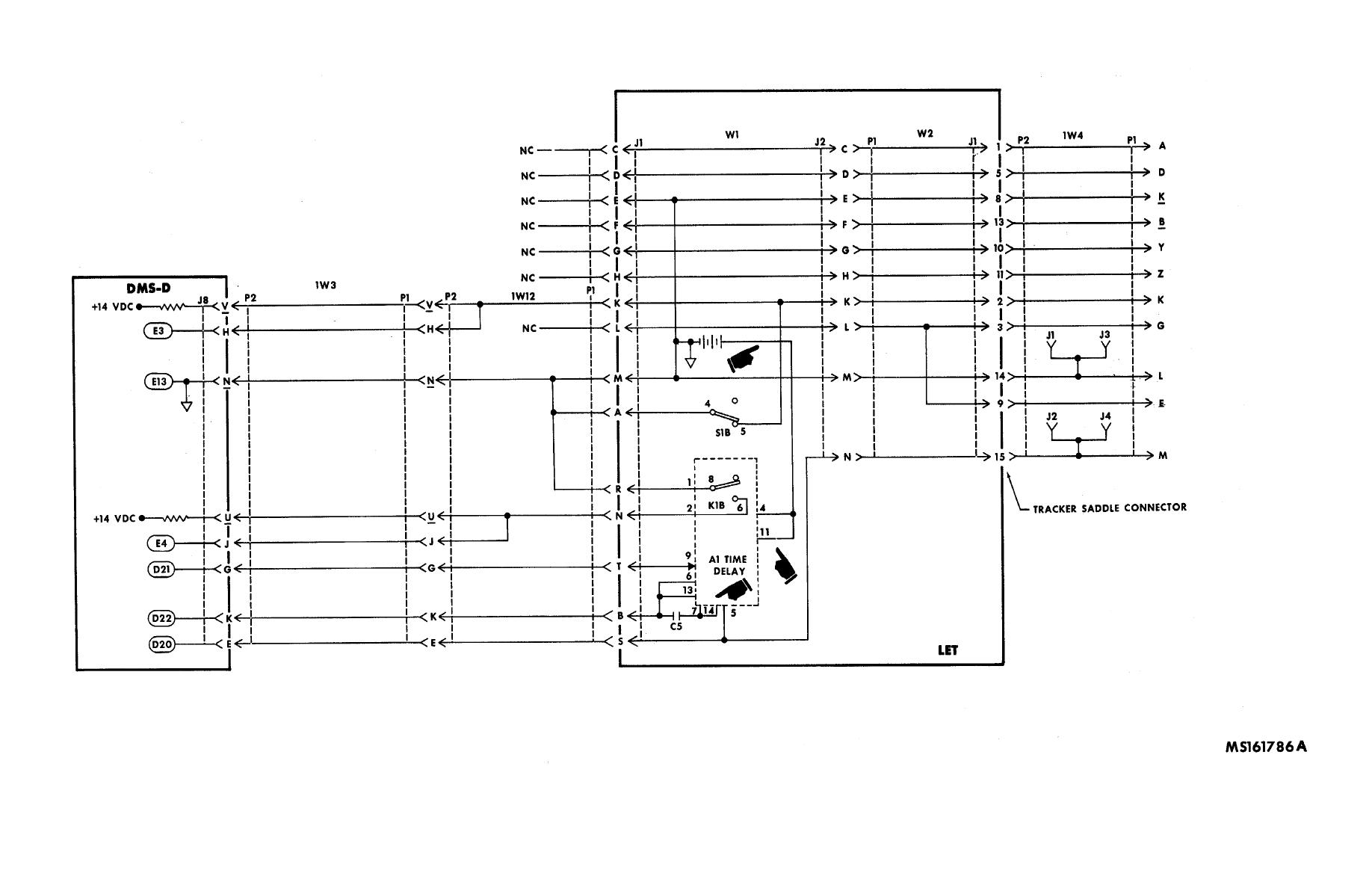
Figure
3-37.
Schematic
diagram
-
DMS-D/DLET
INTERFACE
3-323/(3-324
Blank)