TM 9-2330-384-14&P
4-46. WHEEL, DRUM, AND WHEEL BEARING MAINTENANCE (Con't).
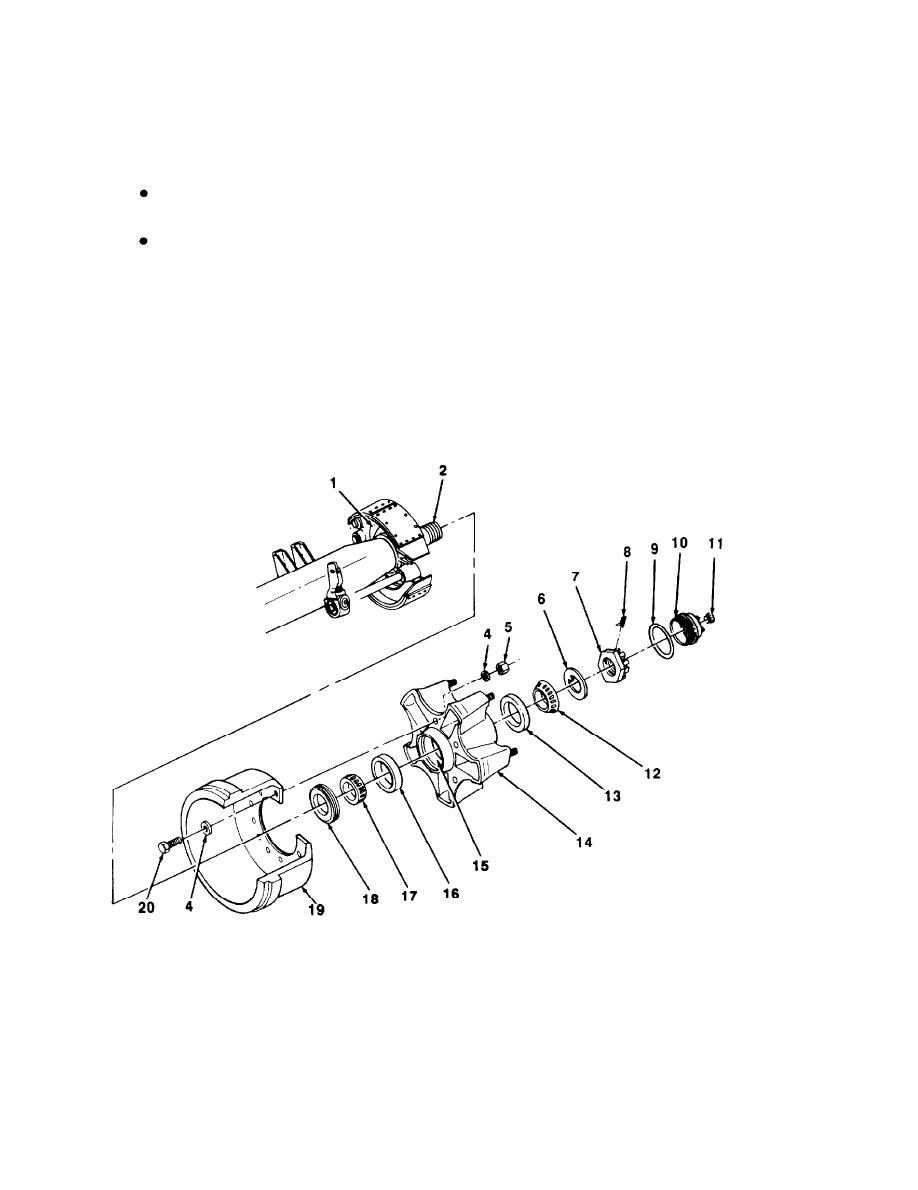
c. INSTALLATION
NOTE
Ensure that wheel bearings are lightly coated with lubricating oil as they
are installed.
Install wheel bearings and bearing cups as tagged.
(1)
Install outer and inner bearing cups (13 and 16) inside wheel hub (15) until flush against wheel
hub shoulders.
(2)
Lubricate spindle (2) with lubricating oil. Install new oil seal (18) with metal wiper facing spider
(1) side.
(3)
Install inner wheel bearing (17) over spindle (2) until flush against oil seal (18).
(4)
If separated, install wheel (14) to drum (19) with five bolts (20), ten washers (4), and five new
locknuts (5). Torque locknuts to 250 lb.-ft. (339 Nm).
4-150