Home
Download PDF
Order CD-ROM
Order in Print
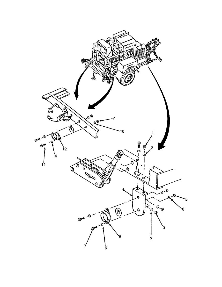
REFLECTOR AND BRACKET
CLAMPS, CABLE
TM-9-4120-405-13-P Air Conditioner: Trailer-Mounted Generator-Set-Powered 18 000 BTU/HR (NSN 4120-00-930-5700) Manual
Page Navigation
87
88
89
90
91
92
93
94
95
96
97
TM
9-4120-405-13&P
Figure
4-19.
Reflector
and
Bracket.
4-46