Home
Download PDF
Order CD-ROM
Order in Print
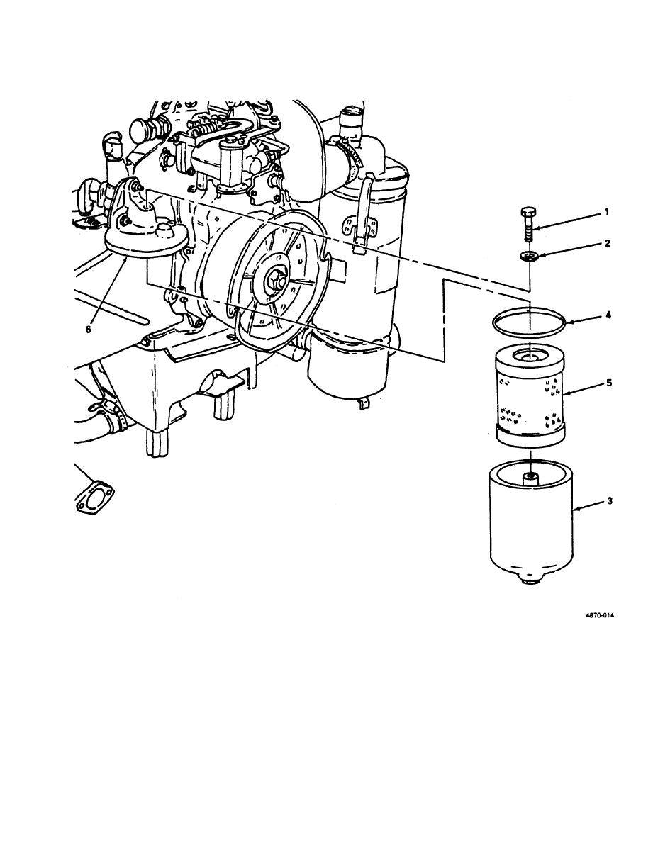
Oil Filter Element.
Oil Filter Element
TM-9-2805-259-14 Engine Gasoline 20 HP Military Standard Models (MODEL 4A084-2 MODEL 4A084-3 MODEL 4A084-4 Manual
Page Navigation
37
38
39
40
41
42
43
44
45
46
47
ARMY
TM
9-2805-259-14
AIR
FORCE
TO
38G2-89-54
NAVY
NAVFAC
P-8-615-14E
Figure
4-8.
Oil
Filter
Element,
Replacement
4-23