Home
Download PDF
Order CD-ROM
Order in Print
Figure 3-32. DMS-G front panel - TM-9-4935-481-14-10080
Circuit card/subassemblies - TM-9-4935-481-14-10082
TM-9-4935-481-14-1 Dragon Maintenance Set Manual
Page Navigation
70
71
72
73
74
75
76
77
78
79
80
TM
9-4935-481-14-1
MS161783
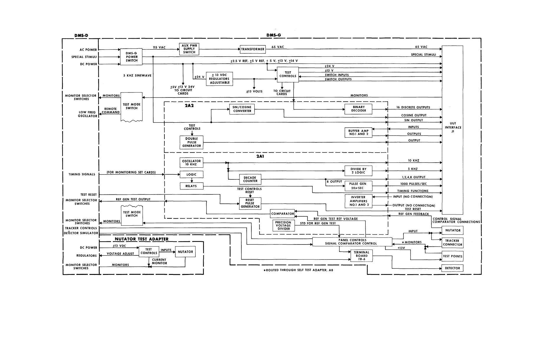
Figure
3-33.
DMS-G
block
diagram
3-33